Мебельный навес для коробов нижнего яруса с креплением на винты LIBRA H7
ПРОКОНСУЛЬТИРОВАТЬСЯ

Боковина толщиной 15–16 мм
Боковина толщиной 18–19 мм
Присадочные размеры
при использовании
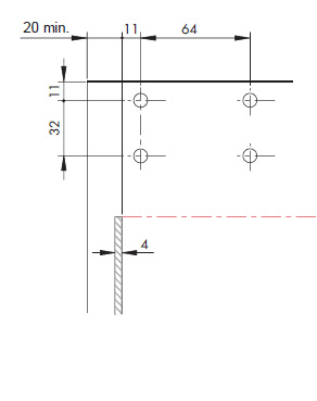
без задней панели

Боковина толщиной 18–19 мм
Присадочные размерыпри использовании
без задней панели

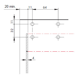
Присадочные размеры при использовании с задней панелью толщиной 4 мм

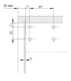
Присадочные размеры при использовании с задней панелью толщиной 4 мм и стандартным алюминиевым профилем

Присадочные размеры при использовании с задней панелью толщиной 8 мм и стандартным алюминиевым профилем

Присадочные размеры при использовании с задней панелью толщиной 4 мм и усиленным алюминиевым профилем

Установка навеса в корпус и навешивание корпуса на стену

Регулировка навесов
Важно! При регулировке навеса не использовать шуруповерт

Использование навеса LIBRA H7 в корпусах с выдвижными ящиками
- Возможность использования максимальной глубины ящика за счет минимальной толщины навеса.
- Не требуется дополнительная подготовка боковин для установки навеса в корпус с выдвижным ящиком.
- Удобная регулировка навеса в корпусе – свободный беспрепятственный доступ к регулировочным винтам под прямым углом (при регулировке навеса не использовать шуруповерт!).
